Star Automation North America
  • February 3-5, 2026
  • Anaheim Convention Center
  • Booth 4339

Star Automation will be at MD&M West with Shibaura Machine featuring one of our high speed take out robots, the TW-800HMVII.

Register with our Comp Code INVITE19426 Copy

Play Video
To Learn More

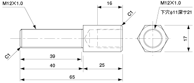
CP-022AL(40L)

$9.29
SKU: J022543
Weight: 0 Lb(s) 1 Oz

QTY:
Add To Wish List

Suction stem adjuster to increase height(reach) of stem to part.

40mm length of M12 thread for additional stem height.

Sign Up Keep Yourself Up To Date!

Subscribe to our newsletter

Please enable JavaScript for full website functionality. Purchases cannot be made.